Студопедия Главная Случайная страница Обратная связь

Разделы: Автомобили Астрономия Биология География Дом и сад Другие языки Другое Информатика История Культура Литература Логика Математика Медицина Металлургия Механика Образование Охрана труда Педагогика Политика Право Психология Религия Риторика Социология Спорт Строительство Технология Туризм Физика Философия Финансы Химия Черчение Экология Экономика Электроника

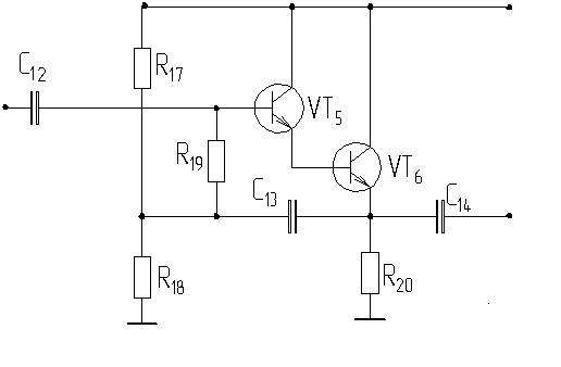
Расчет эмиттерного повторителя на транзисторах VT5 и VT6.





Определим начальные параметры повторителя.

Ом

 

Определим параметры транзистора VT6

 

Определим по этим параметрам транзистор VT6: KT301A

 

 

VT5: KT301A

 

 

Примем R19=10000 Ом

 

Определим падения напряжений на резисторах.

 

Определим неизвестные значения резисторов:

 

Расчет по переменному току

 

 

Определим коэффициент передачи повторителя:

 

Определим

 

Общее входное сопротивление повторителя:

 

Мощности, рассеиваемые на резисторах.

 

 

 







Дата добавления: 2015-09-04; просмотров: 799. Нарушение авторских прав; Мы поможем в написании вашей работы!




Расчетные и графические задания Равновесный объем - это объем, определяемый равенством спроса и предложения...


Кардиналистский и ординалистский подходы Кардиналистский (количественный подход) к анализу полезности основан на представлении о возможности измерения различных благ в условных единицах полезности...


Обзор компонентов Multisim Компоненты – это основа любой схемы, это все элементы, из которых она состоит. Multisim оперирует с двумя категориями...


Композиция из абстрактных геометрических фигур Данная композиция состоит из линий, штриховки, абстрактных геометрических форм...

Философские школы эпохи эллинизма (неоплатонизм, эпикуреизм, стоицизм, скептицизм). Эпоха эллинизма со времени походов Александра Македонского, в результате которых была образована гигантская империя от Индии на востоке до Греции и Македонии на западе...

Демографияда "Демографиялық жарылыс" дегеніміз не? Демография (грекше демос — халық) — халықтың құрылымын...

Субъективные признаки контрабанды огнестрельного оружия или его основных частей   Переходя к рассмотрению субъективной стороны контрабанды, остановимся на теоретическом понятии субъективной стороны состава преступления...

Общая и профессиональная культура педагога: сущность, специфика, взаимосвязь Педагогическая культура- часть общечеловеческих культуры, в которой запечатлил духовные и материальные ценности образования и воспитания, осуществляя образовательно-воспитательный процесс...

Устройство рабочих органов мясорубки Независимо от марки мясорубки и её технических характеристик, все они имеют принципиально одинаковые устройства...

Ведение учета результатов боевой подготовки в роте и во взводе Содержание журнала учета боевой подготовки во взводе. Учет результатов боевой подготовки - есть отражение количественных и качественных показателей выполнения планов подготовки соединений...

Studopedia.info - Студопедия - 2014-2025 год . (0.011 сек.) русская версия | украинская версия