Студопедия Главная Случайная страница Обратная связь

Разделы: Автомобили Астрономия Биология География Дом и сад Другие языки Другое Информатика История Культура Литература Логика Математика Медицина Металлургия Механика Образование Охрана труда Педагогика Политика Право Психология Религия Риторика Социология Спорт Строительство Технология Туризм Физика Философия Финансы Химия Черчение Экология Экономика Электроника

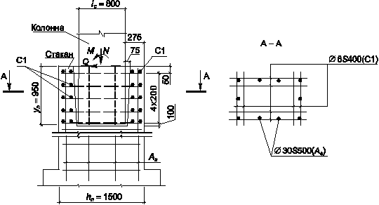
Пример Г.11





Определить площадь поперечной арматуры подколонника со стаканом под колонну каркасного промышленного здания. Расчетная схема подколонника приведена на рисунке Г.6.

Дано: Расчетные усилия на уровне верха подколонника: М = 0,6 МН∙м; Q = 0,05 МН; N = 0,8 МН.

Класс бетона подколонника — С16/20 (В20). Сечение колонны — 80´40 см, рабочие продольные арматурные стержни Æ30 S500(А500, fуk = 500 МПа, fуd = 450 МПа). Поперечная арматура из арматурной стали периодического профиля класса S400 (А400, fywd = 263 МПа).

 

Рисунок Г.6 — Армирование стаканной части подколонника к примеру Г.11

Согласно 6.4.4.3 из условия анкеровки арматуры колонны по разделу 11 СНБ 5.03.01 и с учетом зазора 5 см между торцом колонны и дном стакана принимаем глубину стакана yn = 95 см.

Толщина стенок стакана по 6.4.5 должна быть не менее 0,2 lс = 0,2 · 80 = 16 см и не менее 20 см.

В соответствии с разделом 6 для получения унифицированного размера подколонника назначаем толщину стенок стакана равной 20 см плюс зазор для рихтовки колонны — 7,5 см (по верху)
и 5,0 см (по низу).

Находим эксцентриситет приложения внешней нормальной силы:

е 0 = = = 0,75 м = 75 см.

Площадь сечения поперечной арматуры определяем из условия (6.16а) по формуле (6.17а):

е 0 = 75 см > = 40 см,

где = 85 + 65 + 45 + 25 + 5 = 225 cм.

Тогда сечение каждого рабочего стержня сварной сетки составит

= 1,10 см2.

Принимаем пять сварных сеток со стержнями Æ6 мм класса S400 (Аsw = 1,42 > 1,10 см).







Дата добавления: 2015-06-29; просмотров: 672. Нарушение авторских прав; Мы поможем в написании вашей работы!




Функция спроса населения на данный товар Функция спроса населения на данный товар: Qd=7-Р. Функция предложения: Qs= -5+2Р,где...


Аальтернативная стоимость. Кривая производственных возможностей В экономике Буридании есть 100 ед. труда с производительностью 4 м ткани или 2 кг мяса...


Вычисление основной дактилоскопической формулы Вычислением основной дактоформулы обычно занимается следователь. Для этого все десять пальцев разбиваются на пять пар...


Расчетные и графические задания Равновесный объем - это объем, определяемый равенством спроса и предложения...

Приготовление дезинфицирующего рабочего раствора хлорамина Задача: рассчитать необходимое количество порошка хлорамина для приготовления 5-ти литров 3% раствора...

Дезинфекция предметов ухода, инструментов однократного и многократного использования   Дезинфекция изделий медицинского назначения проводится с целью уничтожения патогенных и условно-патогенных микроорганизмов - вирусов (в т...

Машины и механизмы для нарезки овощей В зависимости от назначения овощерезательные машины подразделяются на две группы: машины для нарезки сырых и вареных овощей...

Билет №7 (1 вопрос) Язык как средство общения и форма существования национальной культуры. Русский литературный язык как нормированная и обработанная форма общенародного языка Важнейшая функция языка - коммуникативная функция, т.е. функция общения Язык представлен в двух своих разновидностях...

Патристика и схоластика как этап в средневековой философии Основной задачей теологии является толкование Священного писания, доказательство существования Бога и формулировка догматов Церкви...

Основные симптомы при заболеваниях органов кровообращения При болезнях органов кровообращения больные могут предъявлять различные жалобы: боли в области сердца и за грудиной, одышка, сердцебиение, перебои в сердце, удушье, отеки, цианоз головная боль, увеличение печени, слабость...

Studopedia.info - Студопедия - 2014-2025 год . (0.009 сек.) русская версия | украинская версия